Поиск по номеру запчасти: 01234
-
AKS DASISАналог
- Бренд: AKS DASIS
- Длина: 410 мм
- Размеры радиатора: 410x495x75
- Ширина (мм): 495
- Длина 1: 510 мм
- Длина 2: 510 мм
- Глубина: 75 мм
- Ширина 1: 85 мм
- Ширина 2: 85 мм
- Ограничение производителя: Haugg/ Stapler
- Спецификация: Lötnetz Querlamelle
- Номер технической информации: R13
- Материал: латунь
-
CARАналог
- Бренд: CAR
- Минимальная толщина: 17 мм
- Количество отверстий: 4
- Толщина тормозного диска (мм): 19
- Для артикула №: 142.891
- Диаметр: 242 мм
- Вес: 4,1 кг
- Высота: 49,6 мм
- Диаметр центрирования: 61 мм
- Тип тормозного диска: с внутренней вентиляцией
-
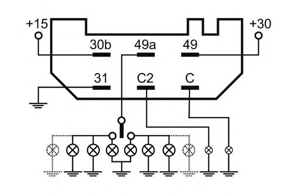
NAGARESТорговый
- Бренд: NAGARES
- С кронштейном: .
- Мощность: (2+1)X21W+5W Ватт
- Номинальное напряжение: 24 V
- Количество полюсов: 6
- Функция реле: Мигающий указатель
- Тип сборки: Монтаж
-
ALBRECHTАналог
- Бренд: ALBRECHT
- Сторона установки: задний мост
- Ø фаски 2: 38 мм
- Высота: 52 мм
- Диаметр: 65 мм
-
BSF
- Бренд: BSF
- С рычагом ручного стояночного тормоза: .
- Диаметр: 203,2 мм
- Ширина (мм): 38
- Тормозная система: TRW
-
Metalcaucho
- Бренд: Metalcaucho
- Сторона установки: со стороны коробки передач
- Вес: 210 г
- Внутренний диаметр 1(мм): 22
- Внутренний диаметр 2 (мм): 74
-
AUTOKIT
- Бренд: AUTOKIT
- Сторона установки: задний мост
- Внутренний диаметр: 38
- Ширина (мм): 52
- Диаметр: 65 мм

